
Brushless DC (BLDC) Motor Overview
The brushless DC motor has stator windings and permanent magnets on the rotor. The windings are connected to the control electronics and there are no brushes and commutators inside the motor. The electronics energize the proper windings similar to a commutator; the windings are energized in a moving pattern that rotates around the stator. The energized stator windings lead the rotor magnet.
BLDC motors are more efficient, run faster and quieter, and require electronics to control the rotating field. BLDC motors are also cheaper to manufacture and easy to maintain.
Three-phase inverters are required to drive BLDC motors. The inverter consists of three half H-bridges, where upper and lower switches are controlled using complementary signals. It is important to keep a delay between high-side switch turn off and low-side switch turn on. This will eliminate a potential short across the switches.
Microcontrollers
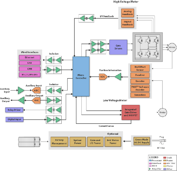
TI's C2000™ family of MCUs can control BLDC motors using either scalar or vector-control techniques. Knowledge of rotor position is important for efficient control of a BLDC motor. The rotor position can be detected by hall sensors or rotary encoders attached to the motor. These sensor inputs are used in a sensored feedback control system.
Rotor position can also be estimated by using back emf voltage information. This mode of feedback control eliminates the need for sensors and additional wires. Position or speed estimators can also be used to calculate rotor position.
Integrated high-speed 12-bit ADC converters, high-resolution pulse-width modulators (PWMs) and a quadrature encoder input (QEI) on C2000 MCUs make them ideal for implementing BLDC motor control. The C2000 MCU core's ability to execute complex mathematical functions in a short time makes this family of MCUs ideal for implementing vector-control techniques and controlling multiple motors at the same time. The PWMs in this family have programmable deadband delays to drive high- and low-side gate drivers. C2000 MCUs can also be used to drive BLDC motors using trapezoidal or sinusoidal control.
The Stellaris™ family of MCUs offers an ARM-based solution to customers who prefer an open architecture core. These MCUs also offer integrated ADC and motor-control-specific PWMs and QEI inputs for sensored control. Their hardware-based fault-detection systems shut down systems faster without intervention from the software. These MCUs can also be used to implement scalar and vector-control techniques.
MSP430 devices are based on a 16-bit RISC architecture with ultra-low-power operation in active and sleep modes. These MCUs can be used in BLDC motor control using scalar techniques where lower performance is acceptable. The integrated drivers can be configured as PWM outputs and can control the gate drivers using trapezoidal control.
The Hercules™ Safety MCUs offer an ARM Cortex-R4f based solution and are certified suitable for use in systems that need to achieve IEC61508 SIL-3 safety levels. These MCUs also offer integrated floating point, 12 bit ADCs, motor-control-specific PWMs and encoder inputs via its flexible HET Timer co-processor. Hercules Safety MCUs can also be used to implement scalar and vector-control techniques and support a range of performance requirements.
Isolation
TI digital isolators have logic input and output buffers separated by TI's silicon dioxide (SiO2) isolation barrier, providing 4 kV of isolation.
Used in conjunction with isolated power supplies, these devices block high voltages, isolate grounds, and prevent noise currents from entering the local ground and interfering with or damaging sensitive circuitry.
Interface/Connectivity
Traditional analog RS-232/RS-485 interfaces remain popular choices for motor-control applications. Looking forward, designers are integrating mainstream interfaces such as Ethernet, USB and CAN into their products.
TI is committed to providing solutions for both traditional and emerging industrial interfaces. For example, TI recently introduced the ISO1050, the world's first isolated CAN transceiver.
Power Management
Texas Instruments offers power management IC solutions ranging from standard ICs to high-performance, plug-in, power-brick, digital-power MOSFETs and integrated power modules. From AC/DC and DC/DC power supplies, linear regulators and non-isolated switching DC/DC regulators to PMICs and power and display solutions, Texas Instruments power management IC solutions can help you complete your project.
Source: http://www.ti.com/solution/motor_control_brushless_dc